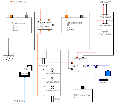
Vous en dites quoi? Y manque des trucs (disjoncteurs par exemple, quoi? ou?).

Pour ceux que ca interesse j'ai fait ca avec Dia sous linux. Pour ca j'ai créer toutes les formes dont j'avais besoin (batterie, reservoir, interrupteur...), si vous les voulez faites signe.



